今天是:
科研成果
当前位置:首页 > 科研成果

一种生产特定指纹图谱普利醇的装置和方法【授权发明专利CN202010581184.0】

来源:生物资源研究所    更新时间:2021-01-18    浏览:7670
【字体:

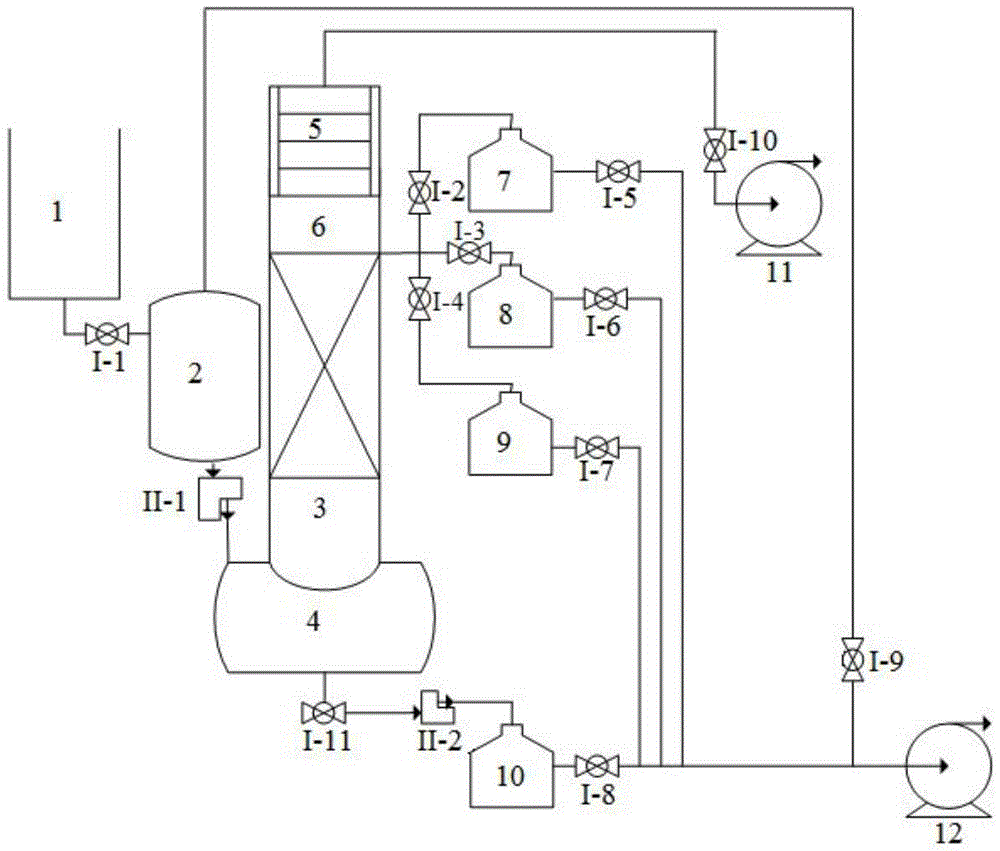
本发明涉及油脂的提取分离深加工技术领域,提供了一种生产特定指纹图谱普利醇的装置及方法,本发明的装置将进料罐、接收罐连接真空系统,在保证精馏塔真空稳定的条件下,实现了连续批次加料与出料,不用停机操作,提高生产效率;本发明提供的方法采用高真空精馏工艺,首先将皂化粗醇放入化料罐,经化料后放入进料罐,然后用输送泵打入精馏釜中,在真空条件下进行第一批次精馏,塔顶依次收集各段馏分,塔底收集釜残;第一批次粗品精馏完毕,在进料罐真空与精馏塔真空基本一致的条件下,进行下一批次进料。本发明提供的方法分离效率高,普利醇的指纹图谱可控、质量稳定,只需经1次精馏过程就可达到普利醇中二十八烷醇所需纯度的要求。

专利权人:江西省科学院生物资源研究所

发明人:蔡力创;刘建平;欧阳克氙;郭雄昌;涂越

联系人:刘卓荣  电话:0791-88177006,13177821807

getOneBooksImg.gif