今天是:
科研成果
当前位置:首页 > 科研成果

一种污水同步短程反硝化-部分亚硝化-厌氧氨氧化系统【授权实用新型CN201921694976.8】

来源:能源研究所    更新时间:2020-07-21    浏览:11955
【字体:

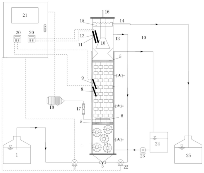
本实用新型提供了一种污水同步短程反硝化‑部分亚硝化‑厌氧氨氧化系统,其中的反应器从下至上通过隔板分隔成以下连通的区域:短程反硝化区、部分亚硝化‑厌氧氨氧化区和三相分离区;污水和含硝态氮的回流液进入短程反硝化区,通过短程反硝化菌将硝态氮还原为亚硝态氮同时去除有机质;含有氨氮和亚硝态氮的水通过部分亚硝化‑厌氧氨氧化区,部分氨氮通过氨氧化菌氧化为亚硝态氮,同时剩余的氨氮和亚硝态氮通过厌氧氨氧化菌进行脱氮,它与短程反硝化区之间设有第一隔板;三相分离区用于对处理后的产物进行分离,它与部分亚硝化‑厌氧氨氧化区之间设有第二隔板;三相分离区设置三相分离器,三相分离后的回流液经回流口泵至短程反硝化区。

getOneBooksImg (1).gif

利权人:江西省科学院能源研究所

发明人:闫冰;魏源送;熊继海;吴九九;夏嵩;桂双林;付嘉琪

联系人:刘卓荣  电话:0791-88177006,13177821807